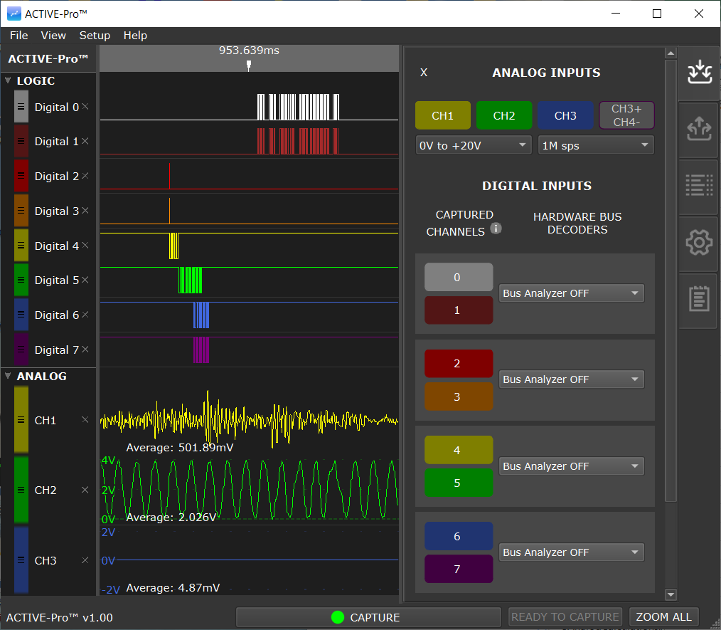
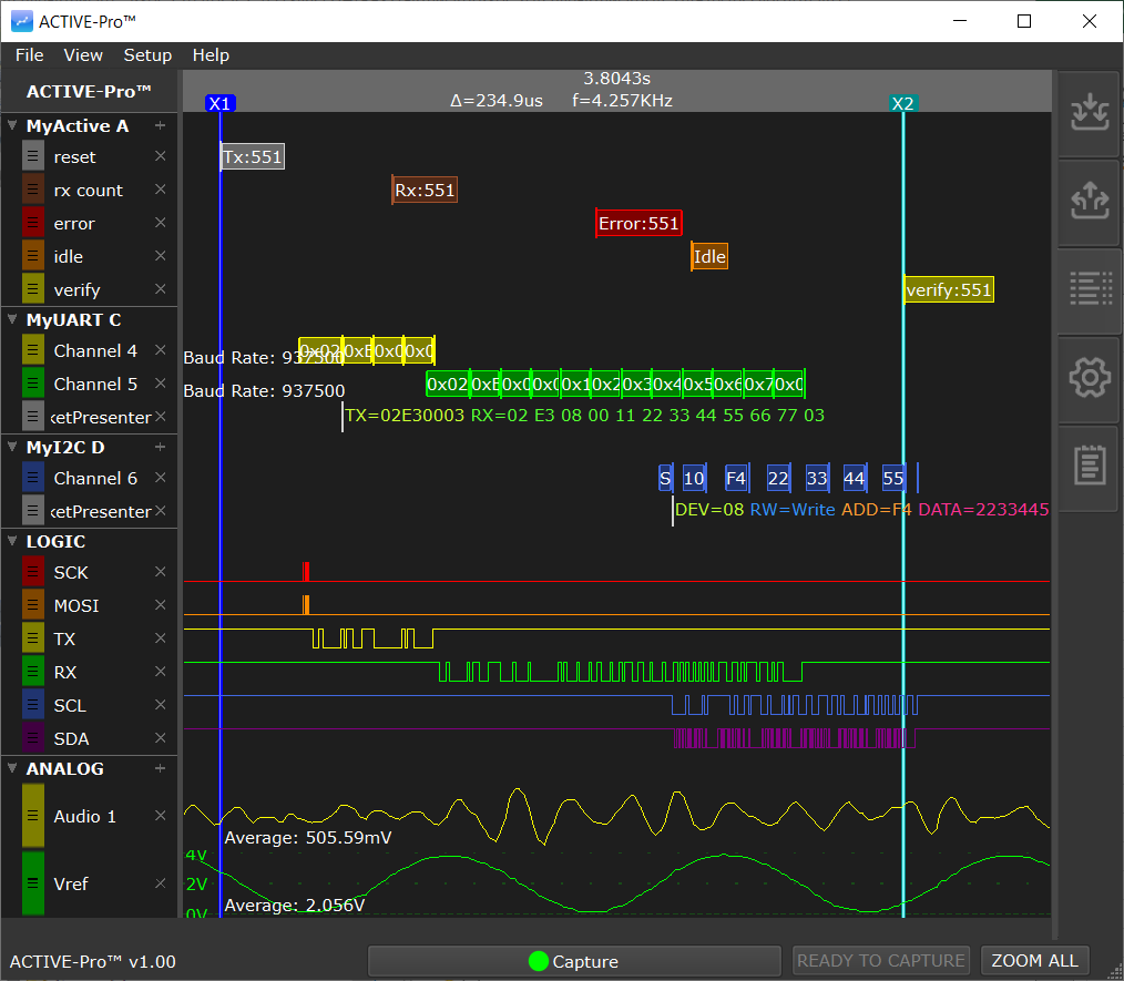
Active-Pro Captures

Below is a selection of real captures taken and submitted by users of the Active-Pro Debugger and Logic Analyzer. To include your captures in our gallery, simply email a screenshot to support@activefirmwaretools.com.