CHSI Bus Decoding for IFF Systems

Unlock unparalleled insight into IFF systems with Active-Pro’s CHSI bus decoding capabilities.

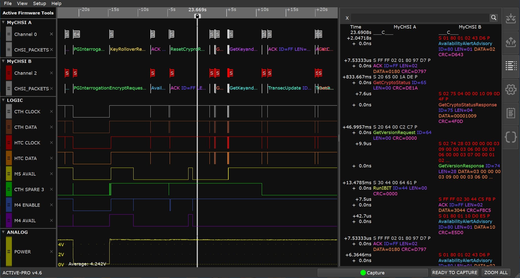
The Crypto High-Speed Interface (CHSI) bus

The Crypto High-Speed Interface (CHSI) bus is a crucial communication link in Identification Friend or Foe (IFF) systems, which are used by military forces worldwide to identify friendly aircraft, vehicles, and forces in the field. These systems must function flawlessly in real-time, distinguishing friendly units from potential threats in high-pressure scenarios. The CHSI bus plays a key role in ensuring fast and accurate data exchange between different components of the IFF system, allowing it to process and deliver essential identification information.

The Active-Pro empowers engineers working on these mission-critical systems to decode and analyze CHSI bus communications effortlessly, providing a full view of IFF interactions in real-time.

Cockpit interior of an aircraft with various flight instruments, gauges, and control panels.

Monitor Two IFF Devices Simultaneously

Active-Pro goes beyond simple data capture. It allows you to monitor two IFF devices at the same time, with all decoded data presented in one synchronized view. With this single tool, you can monitor the traffic from both sides of your interrogation link to confirm protocol, timing, successful packet reception and overall system performance. This real-time insight lets you see how multiple IFF devices are working together or compare their interactions without the hassle of manually syncing data streams.

Screenshot of a computer screen displaying a Wi-Fi analysis tool interface with network packet data, signal graphs, and protocol analysis organized into sections for different channels and logic signals.

Built for Mission-Critical Clarity

In environments where precision and speed are everything, the Active-Pro ensures that all CHSI bus data is decoded and displayed without delay, giving you the critical visibility needed to troubleshoot and resolve issues quickly. By eliminating the noise and confusion of raw data, Active-Pro helps you focus on what matters: ensuring your IFF systems operate smoothly and accurately in the field.

  • Complete CHSI Bus Decoding: Decode and display high-speed CHSI bus data for real-time insight into IFF system communications.

  • Simultaneous Monitoring of Two IFF Devices: Visualize data from two IFF devices in one synchronized view, allowing for comparison and debugging.

  • Real-Time Data Display: Ensure that all CHSI data is captured and displayed immediately, so you can focus on solving problems faster.

In fast-paced environments where lives and missions depend on accurate identification, Active-Pro gives you the tools to decode and monitor CHSI bus communications with ease. Streamline your IFF debugging process and keep your systems mission-ready with Active-Pro.

Screenshot of a detailed oscilloscope or logic analyzer display showing multiple colored digital waveforms, packets, and data streams across different channels and protocols, representing complex electronic signal testing.

Active-Pro Debugger and Logic Analyzer

  • Complete CHSI Bus Decoding

  • Simultaneous Monitoring of Two IFF Devices

  • Real-Time Data Display

Try it Risk Free

  • 30 - Day Money-Back Guarantee

  • 1 - Year Warranty

  • Fast Expert Tech Support

Active-Pro Debugger and Logic Analyzer
$479.00

USB 2.0 High-Speed (480 Mbps) connected Debugger & Logic Analyzer with 8-channel (120Msps) Digital and 3-channel (1Msps) Analog Inputs

The Active-Pro Debugger and Logic Analyzer is your all-in-one solution for embedded system development. It combines real-time multi-processor firmware debugging, digital and analog waveform analysis, protocol decoding, and dynamic current measurement into a single, user-friendly device. Whether you’re analyzing signals, decoding buses, or debugging firmware, the Active-Pro gives you everything you need in one tool.